ZJHP氣動薄膜單座調節閥
一、概述
氣動薄膜調節閥是工業生產過程中自動化控制系統的執行單元,它按照調節儀表的信號,改變閥門的開啟度,從而達到對壓力、溫度、流量和液位等參數的調節。
氣動薄膜調節閥具有體積小、結構簡單、使用方便、防火、防爆和維修方便等優點,因此廣泛用于化工、石油、冶金、電力、輕工等工業生產過程的自動調節和遠程控制系統中。
二、構造及工作原理
1、 結構:氣動薄膜調節閥由氣動薄膜執行機構及調節閥兩部分組成。新系列氣動執行機構采用多彈簧結構。因此執行機構的高度大幅度降,重量也相應減輕,調節閥閥體部分是按流體動力學原理設計的低流阻閥體,額定流量系數增大了30%左右。氣動薄膜調節閥具有氣開、氣關二種作用方式。氣開、氣關的選擇主要從生產的安全出發,考慮到當輸入信號中斷時,閥門處在一個對系統安全的開關狀態。
2、 工作原理:氣動薄膜調節閥的動作由調節器來的信號壓力,輸入氣動薄膜執行機構的氣室中產生推力,通過連接桿推動閥芯,產生相應位移一一即所謂行程,閥芯位置的變化使閥的流通截面積變化,從而達到調節介質流量之目的。
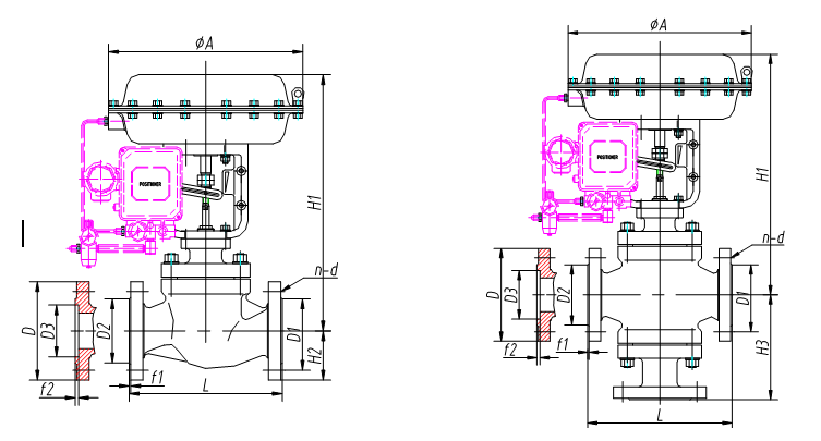
ZXP(M)-16(64) ZXQ-16(64)
ZXPQ(MQ)-16(64) ZXX-16(64)
圖1 圖2
DN | 20 | 25 | 32 | 40 | 50 | 65 | 80 | 100 | 125 | 150 | 200 | |
H1 | 315 | 410 | 420 | 420 | 420 | 550 | 570 | 570 | 690 | 705 | 785 | |
H2 | 55 | 60 | 70 | 75 | 80 | 90 | 105 | 120 | 140 | 150 | 200 | |
H3 | 100 | 110 | 130 | 140 | 150 | 165 | 180 | 195 | 230 | 250 | 350 | |
ФA | 310 | 395 | 500 | |||||||||
L | PN16 PN40 | 150 | 160 | 180 | 200 | 230 | 290 | 310 | 350 | 400 | 480 | 600 |
PN64 | 230 | 260 | 300 | 340 | 380 | 430 | 500 | 550 | 650 | |||
D | PN16 | 105 | 115 | 140 | 150 | 165 | 185 | 200 | 220 | 250 | 285 | 340 |
PN40 | 105 | 115 | 140 | 150 | 165 | 185 | 200 | 235 | 270 | 300 | 375 | |
PN64 | 130 | 140 | 155 | 170 | 180 | 205 | 215 | 250 | 295 | 345 | 415 | |
D1 | PN16 | 75 | 85 | 100 | 110 | 125 | 145 | 160 | 180 | 210 | 240 | 295 |
PN40 | 75 | 85 | 100 | 110 | 125 | 145 | 160 | 190 | 220 | 250 | 320 | |
PN64 | 90 | 100 | 118 | 125 | 135 | 160 | 170 | 200 | 240 | 280 | 345 | |
b | PN16 | 16 | 18 | 20 | 22 | 24 | ||||||
PN40 | 16 | 18 | 20 | 22 | 24 | 26 | 28 | 34 | ||||
PN64 | 20 | 22 | 24 | 26 | 28 | 30 | 32 | 36 | 38 | 44 | ||
n-d | PN16 | 4-14 | 4-18 | 8-18 | 8-22 | 12-22 | ||||||
PN40 | 4-14 | 4-18 | 8-18 | 8-22 | 8-26 | 12-30 | ||||||
PN64 | 4-18 | 4-23 | 8-23 | 8-25 | 8-30 | 8-34 | 12-34 | |||||
F1×D2 | PN16 PN40 PN64 | 2×56 | 3×65 | 3×76 | 3×84 | 3×99 | 3×118 | 3×132 | 3×156 | 3×184 | 3×211 | 3×266 |
F2×D3 | PN16 PN40 | 3×51 | 3×58 | 3×66 | 3×76 | 3×84 | 3×99 | 3×118 | 3×132 | 3×156 | 3.5×204 | 3.5×260 |
PN64 | 4×51 | 4×58 | 4×66 | 4×76 | 4×88 | 4×110 | 4×121 | 4.5×150 | 4.5×176 | 4.5×204 | 4.5×260 | |
注:1、本產品法蘭連接尺寸PN16、PN25按JB79.1-94標準,PN64按JB79.2-94標準,結構長度按GB2221-89標準。
3、 本產品法蘭密封形式有凸面和凹面兩種,可按用戶指定,用戶未指定時,PN16按凸面,PN40、PN64按凹面。
四、產品技術參數(表2)
公稱通徑DN(mm) | G3/4 | 20 | 25 | 32 | 40 | 50 | 65 | 80 | 100 | 125 | 150 | 200 | ||||||
閥座直徑DN(mm) | 5 | 7 | 8 | 10 | 12 | 15 | 20 | 25 | 32 | 40 | 50 | 65 | 80 | 100 | 125 | 150 | 200 | |
額定流量系數KV | 線性 | 0.2 | 0.5 | 0.8 | 1.8 | 2.8 | 4.4 | 6.9 | 11 | 17 | 27 | 44 | 69 | 110 | 176 | 275 | 440 | 690 |
等百分比 | 1.6 | 2.5 | 4 | 6.3 | 10 | 16 | 25 | 40 | 63 | 100 | 160 | 250 | 400 | 630 | ||||
允許壓差(MPa) | 單座閥 | 6.4 | 3.7 | 2.6 | 1.6 | 1.3 | 0.8 | 0.75 | 0.5 | 0.3 | 0.25 | 0.2 | 0.12 | 0.12 | 0.08 | 0.05 | ||
套筒閥 | 6.4 | 4 | 3 | 2 | ||||||||||||||
膜片有效面積C㎡ | 200 | 400 | 600 | 1000 | ||||||||||||||
額定行程(mm) | 10 | 16 | 25 | 40 | 60 | |||||||||||||
工作溫度℃ | 常溫型-20~200 散熱型-40~450 | |||||||||||||||||
ZXQ(X)-16K型三通調節閥技術參數(表3)
64
公稱通徑DN(mm) | 20 | 25 | 32 | 40 | 50 | 65 | 80 | 100 | 125 | 150 |
額定流量系數Kv | 7 | 8.5 | 13 | 21 | 34 | 53 | 85 | 135 | 210 | 340 |
允許壓差(MPa) | 2 | 1.2 | 0.75 | 0.5 | 0.3 | 0.27 | 0.18 | 0.12 | 0.12 | 0.085 |
額定行程(mm) | 16 | 25 | 40 | 60 | ||||||
膜片有效面積(C㎡) | 400 | 600 | 1000 | |||||||
固有流量特性 | 線性 | |||||||||
工作溫度范圍℃ | 常溫型-20~200 散熱型-40~450 | |||||||||
ZXM系列氣動薄膜套筒調節閥門 主要性能指標(表4)
ZXMQ系列氣動薄膜套筒調節切斷閥
序號 | 項目 | 不帶定位器 | 帶定位器 | ||
1 | 基本誤差(%) | ±5.0 | ±1.0 | ||
2 | 回 差(%) | 3 | 1.0 | ||
3 | 死 區(%) | 3 | 0.4 | ||
4 | 始點偏差(%) | 氣 開 | ±2.5 | ±1.0 | |
氣 關 | ±5.0 | ||||
5 | 終點偏差(%) | 氣 開 | ±5.0 | ||
氣 關 | ±2.5 | ||||
6 | 額定行程偏差(%) | ±2.5 | |||
7 | 允許泄漏量L/h | ZXM 系列 | 5×10-3×閥額定容量 | ||
ZXMQ 系列 | 無泄漏 | ||||
8 | 額定流量系數偏差(%) | ±10 | |||
9 | 固有流量特性偏差 | 符合IEC534-1-1976和GB/T4213-2008中規定的斜率偏差要求 | |||
ZXP 系列氣動薄膜單座調節閥
ZXQ 系列氣動薄膜三通調節閥 主要性能指標(表5)
ZXPQ系列氣動薄膜單座調節切斷閥
序號 | 項目 | 不帶定位器 | 帶定位器 | ||
1 | 基本誤差(%) | ±5.0 | ±1.0 | ||
2 | 回 差(%) | 3 | 1.0 | ||
3 | 死 區(%) | 3 | 0.4 | ||
4 | 始點偏差(%) | 氣 開 | ±2.5 | ±1.0 | |
氣 關 | ±5.0 | ||||
5 | 終點偏差(%) | 氣 開 | ±5.0 | ||
氣 關 | ±2.5 | ||||
6 | 額定行程偏差(%) | ±2.5 | |||
7 | 允許泄漏量L/h | ZXP、ZXQ 系列 | 10-4×閥額定容量 | ||
ZXPQ 系列 | 無泄漏 | ||||
8 | 額定流量系數偏差(%) | ±10 | |||
9 | 固有流量特性偏差 | 符合IEC534-1-1976和GB/T4213-2008中規定的斜率偏差要求 | |||
1、 氣動薄膜調節閥(以下簡稱為閥)安裝位置,距離地面要有適當的高度,閥的上面和下面都有一定的空間,以便于閥的拆裝、運輸和修理。對于裝有氣動閥門定位器和手輪機構的閥,更應保證觀察、調整和操作的安全方便。
2、 避免由于安裝不慎,給閥帶來附加應力,如管道與閥不同心或是法蘭面不平行,閥的自重,周圍振動,介質溫度和環境溫度的變化的綜合作用會使法蘭破裂或變形。為避免此類事故,閥最好安裝在一段彎管上如(圖6),大口徑的要加以支承。
3、 閥的工作環境溫度要在-30~+60℃,相對溫度不大于95%。因波紋薄膜和密封件等像膠制品零件低溫時硬化變脆,高溫時加速老化。閥位置靠近加熱爐及高溫管道時對此點要加以注意。
4、 閥最好垂直正立安裝,也可以傾斜及倒立安裝。傾斜安裝時,由于閥芯自重偏向一方,使閥芯與襯套;閥芯與閥座加快局部磨損。倒立安裝的缺點是從填料處泄漏的介質沾污或腐蝕氣動薄膜執行機構。
5、 傍通管道。設置傍通管路(圖6)的目的是便于切換或手動操作后不停車檢修閥。
因調節低壓、常溫、非腐蝕性介質(如水、空氣等)閥不會發生腐蝕、磨損、卡死事故時,或因閥公稱通徑較大(DN100毫米以上),安裝傍通管路價格高,占地面積大時,可以省略傍通管路,但在閥上要裝有手輪機構,以便在自控系統發生故障時可以手動操作。
6、 空氣管路??諝夤苈窞橥鈴健羶葟?Ф6×Ф4及Ф8×Ф6的銅管或塑料管,注意連接處保證氣密。
7、 閥安裝到管路上時,閥體上的箭頭方向與管路中流體方向相同。如果閥的公稱通徑與管路的公稱通徑不同,二者之間加一漸縮管。
8、 閥安裝前要徹底清洗管路中的污物和焊渣。安裝后用常溫水進行試運。試運時切斷閥以傍通管路進行。如無傍通管路,則保持閥在全開位置。試運中清洗管路及試驗連接處的密封性。試運后,再將閥體投入運行。
9、 調節閥應保證貯存在周圍氣溫在-5~+40℃和相對溫度不大于90%的室內,空氣中不應含有能腐蝕閥的有害雜質,并應注意防塵。
圖3 ZXM(Q)-16(64)K型氣動薄膜套筒調節閥 圖4 ZXQ(X)-16(64)型氣動薄膜三通調節閥

五、調節閥安裝、使用與維護
1. 調節閥安裝
· 調節閥安裝前先核對名牌上的型號、口徑、作用方式、技術參數是否符合管線工藝要求。
· 調節閥應正立垂直安裝在水平管道上,不得已時可傾斜安裝。閥重量較大時要設置支撐架。調節閥應安裝在遠離振動源的場合。
· 安裝后使調節閥處于最大開度,對管道進行沖刷、清洗, 防止焊渣、污物、硬件卡在節流口,破壞密封面。調節閥入口處要有足夠的直管段,其長度約10-20倍管道直徑。并配置過濾器。閥與管道的連接應注意同軸度。介質流向與調節閥箭頭指向一致。
· 安裝場地應考慮人員與設備的安全,既便于觀察與操作,又有利于拆裝與維護。應留有足夠的空間,維修時拆卸零部件。
· 為使自控系統失靈或檢修調節閥時仍能連續運行,應設置旁路閥,旁路閥的流量特性與行程,應與調節閥選擇相一致。
· 調節閥應安裝在環境溫度-10~+55℃,相對濕度≤95% ??諝庵胁缓g性氣體的場所。
· 電氣部分接線安裝,請參閱相應電器安裝接線圖說明書。
· 安裝在室外的調節閥應加保護措施,以防爆曬、雨淋。對防爆型電動調節閥必須按“爆炸危險場所電氣設備安裝規范”要求進行。
2. 調節閥使用與維護
· 調節閥投入運行前應仔細檢查氣路連接是否正確,輸入信號是否正常;電動調節閥的電源電壓和輸入信號是否符合要求。
· 調節閥使用中應對各部分進行定期檢查和調整,防爆型電動調節閥應嚴格根據規定:先斷電后開蓋,關蓋后再操作。電動調節閥的維修,應在安全場所進行。
· 就地手動操作時,應將操作器切換至“手動”位置,恢復自動操作時,應將操作器切換至“自動”位置。
· 調節閥檢修時,對易損件如閥芯、閥塞、閥板、套筒、閥座、填料、墊片、波紋膜片、O形圈等零件應重點檢查,如有損壞,應修復或調換,以保證調節閥的正常使用。
· 拆卸或清洗調節閥時,應了解管路中殘余壓力、流體的性質,采取相應的措施與方法,防止發生不必要的傷亡事故。
· 使用中要經常觀察運行情況,發現故障,分析產生的原因,可按下述方法排除。
※ 調節閥不動作:
膜片損壞、電動執行機構電動機燒壞。 排除方法:更換膜片或修理電機。
閥桿或推桿彎曲,卡死。 更換閥桿或推桿。
※ 閥關不到位:
介質壓差過大、密封面內有異物。 選排除方法:選大一檔的執行機構、清除異物。
※ 回差大:
動作遲鈍:閥芯導向面劃傷、沖刷腐蝕、卡住。
排除方法:修復導向面、更換閥芯、清除異物。
※ 泄漏量大:
密封面損傷。 排除方法:更換閥內件或修復密封面。
※ 閥動作不穩定,有振動:
閥桿與填料函間的摩擦力大、閥口徑選得過大,調節閥處于小開度工作。
排除方法:減小摩擦力適當放松墊料壓蓋的壓緊力;調整口徑。
※ 填料函處滲漏:
填料老化、損壞;填料壓蓋松動。 排除方法:更換填料、壓緊填料壓蓋。
※ 閥體與上閥蓋連接處滲漏:
密封墊損壞、壓緊螺母松弛。 排除方法:更換密封墊、擰緊螺母。
六、型號編制

表6
閥結構形式 | 單座閥 | 雙座閥 | 角形單座閥 | 套筒閥 | 三通閥 | |
合流 | 分流 | |||||
代 號 | P | N | S | M | Q | X |
表7
閥結構形式補充 | 調節切斷 | 夾套 | 波紋管密封 |
代 號 | Q | J | W |
表8
公稱壓力MPa | 1.6 | 4.0 | 6.4 |
代 號PN | 16 | 40 | 64 |
表9
整機作用方式 | 氣閉式(氣關式) | 氣開式 |
代 號 | B | K |
表10
類 型 | 標準型 | 散熱型 | 高溫型 | 低溫型 | ||
溫度范圍℃ | -20~+200 | -40~+300 | +300~+450 | -60~-100 | -100~-200 | -200~-250 |
代 號 | 無 | S | G | D | D1 | D2 |
七、訂貨須
知訂貨時請注明下列內容
1)閥門型號
2)通徑×閥座尺寸Kv值
3)閥體壓力及連接形式
4)閥體和閥內組件的材料
5)閥特性及閥芯的形式
6)上閥蓋形式
7)執行機構形式,是否帶手輪機構及供氣壓力
8)正/反作用(氣關式或氣開式)
9) 附件(帶過濾器減壓閥等)
10)特殊要求(禁水處理,禁銅等)
11)介質名稱12)正常流量及最大流量
13)介質壓力,閥全開和全閉時閥進口和出口壓力
14)介質溫度和比重
15)介質粘度,是否含有懸濁液,是否有閃蒸現象。